Wednesday, February 8th, 2023 AT 7:52 AM
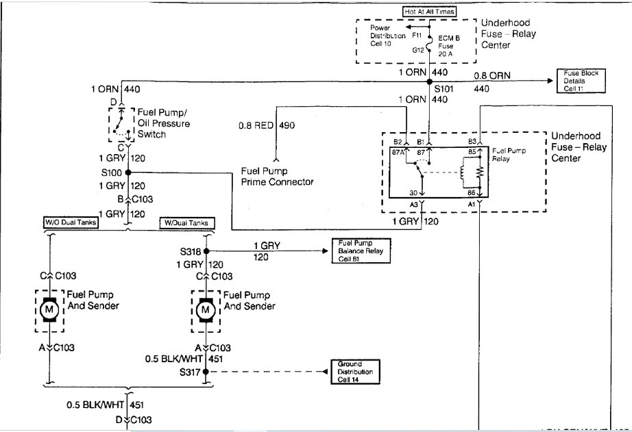
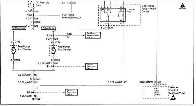
I can't seem to locate this. Not above spare tire, haven't seen inside truck, looked at some under truck spots. No one seems to know, aways seems me to pump itself.


