Monday, December 21st, 2020 AT 6:25 AM
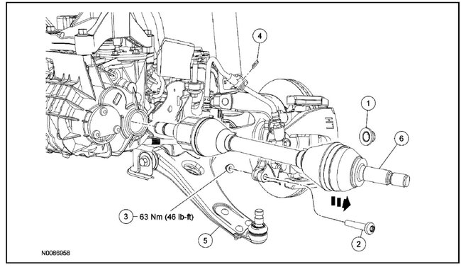
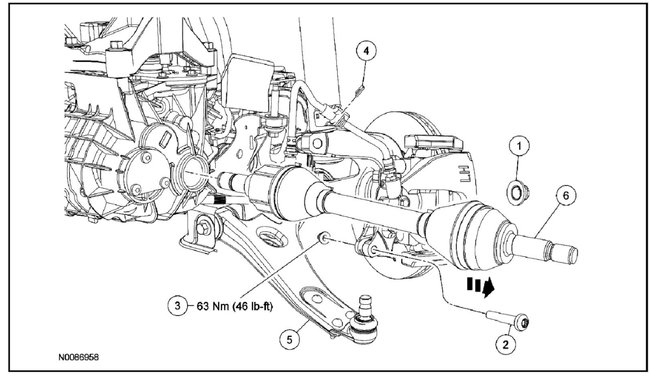
Have a loud winding sound that sounds like grip tires coming from the front. Replaced passenger side axle including bearing and noise still exists. With the car jacked up both front tires off the ground I stopped one tire at a time and noise is coming from driver (left) side. Removed driver side tire and winding sound isn’t there but I hear what sounds like if you would tap 2 wrenches together. Like something is loose. That particular axle was replaced before and has about 30,000 miles on it. I will add that that particular axle had given problems in the past after it was replaced. It would lock into the transmission but eventually back out to where you needed no tool to remove from transmission. Now it does have slack where axle goes into the transmission. Is it the bushing behind the seal in the transmission that’s bad or could just the axle be worn down? As for the noise without the tire could it be the additional weight on tire and wheel making the axle make noise?















