Tuesday, October 28th, 2008 AT 6:32 AM
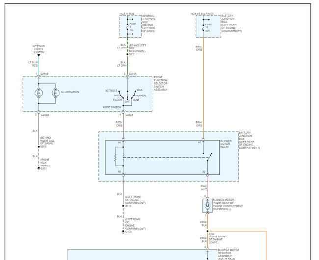
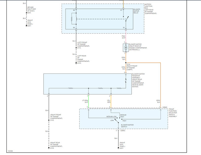
Hi, I have a number 2 (10a) fuse constantly blowing. Air bag light is on and it controls blower motor relay, backup lights etc. (2002 ford ranger) I went up to 20a and no further and it still keeps going out. I checked the blower motor and even unplugged it, replaced the blower relay, and none of this helped. It blows when I sometimes step on the brake if it is already driving, but lately I can't get it out of park without the fuse blowing when I operate the gear shifter. Any help?







