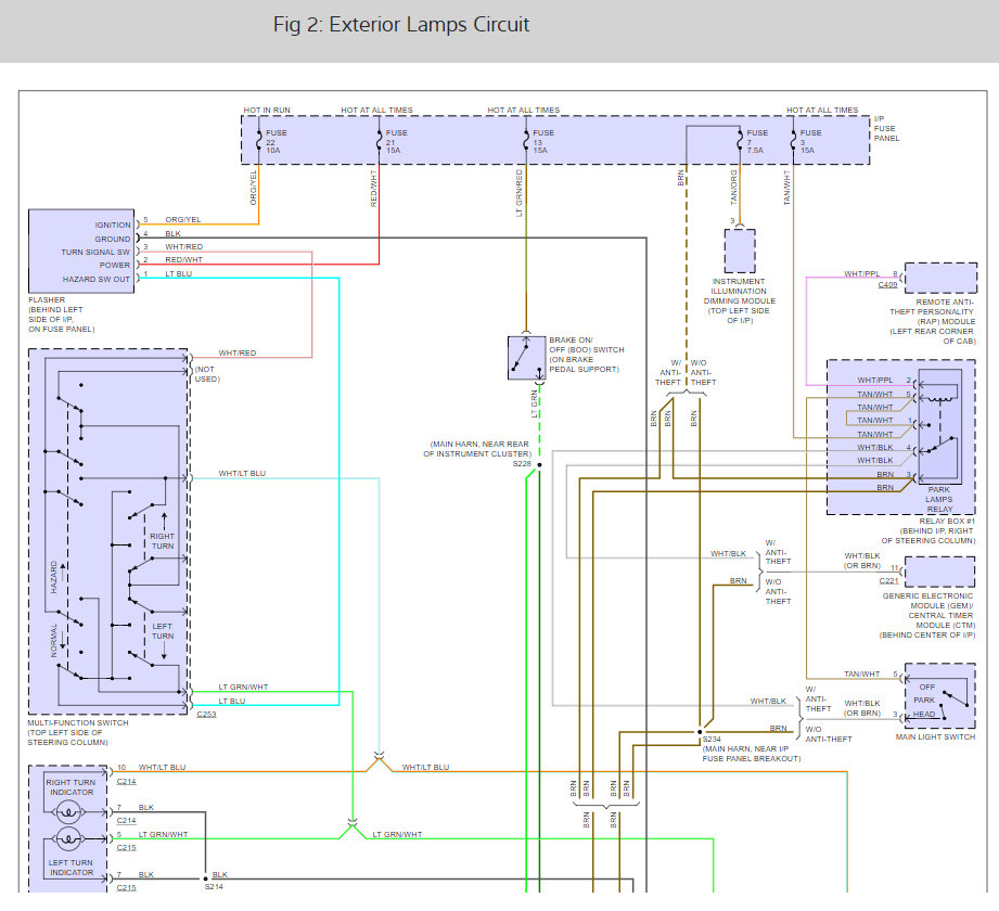
I have been searching forever online trying to find the right fuse to check for the license plate lights. Both lights are not working, No diagram, no book and do not want to take a chance driving. Already got a ticket for it.
Sunday, December 28th, 2008 AT 11:25 AM






