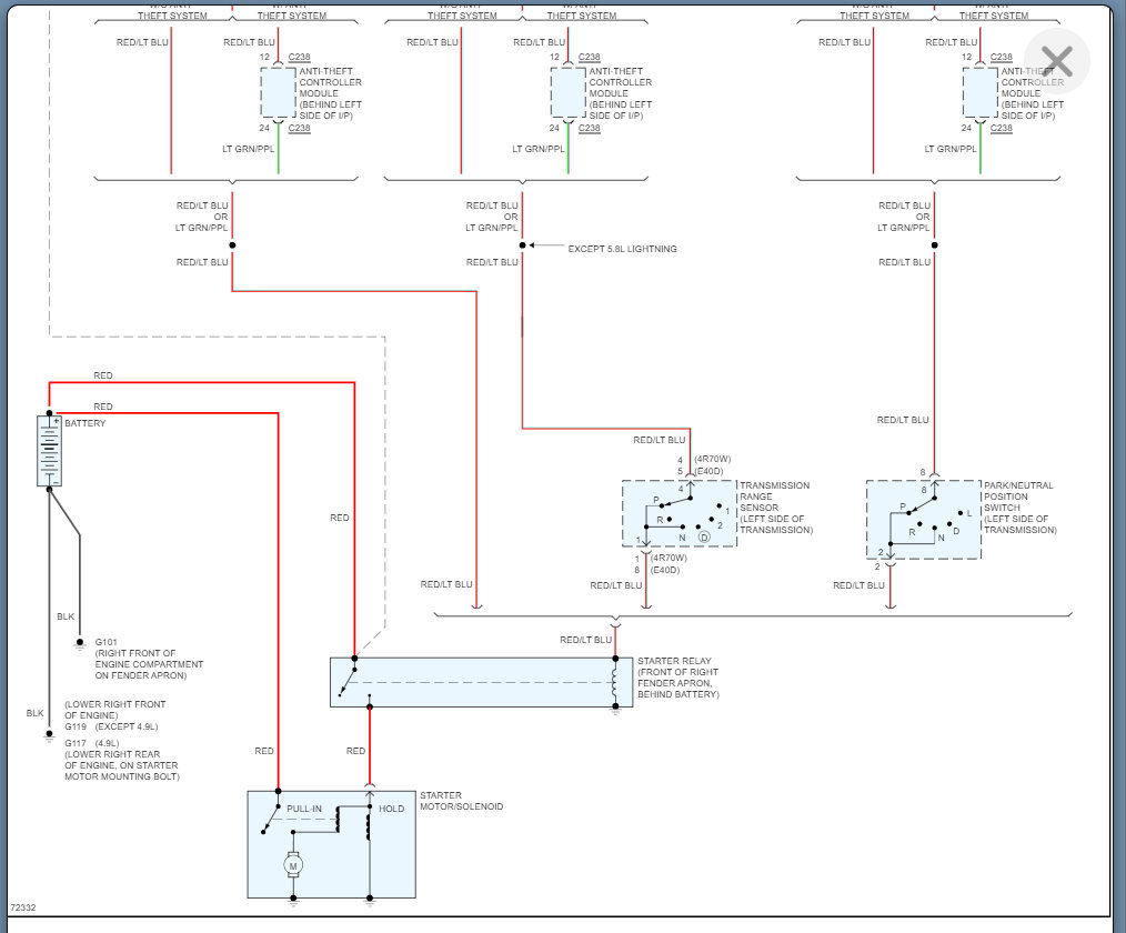
Thursday, April 1st, 2010 AT 5:09 PM
It would not start, but the battery was good. I replaced the starter and the solenoid on the firewall, but that did not fix the problem. The vehicle will start if I use a screwdriver to jump from the starter to the starter solenoid. I am assuming it may be an electrical issue. What can I do to fix this problem? Thank you for your help.



