Thursday, August 5th, 2010 AT 11:48 PM
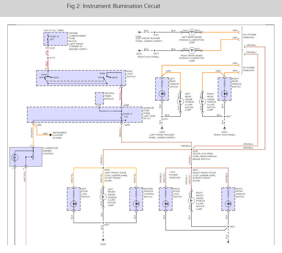
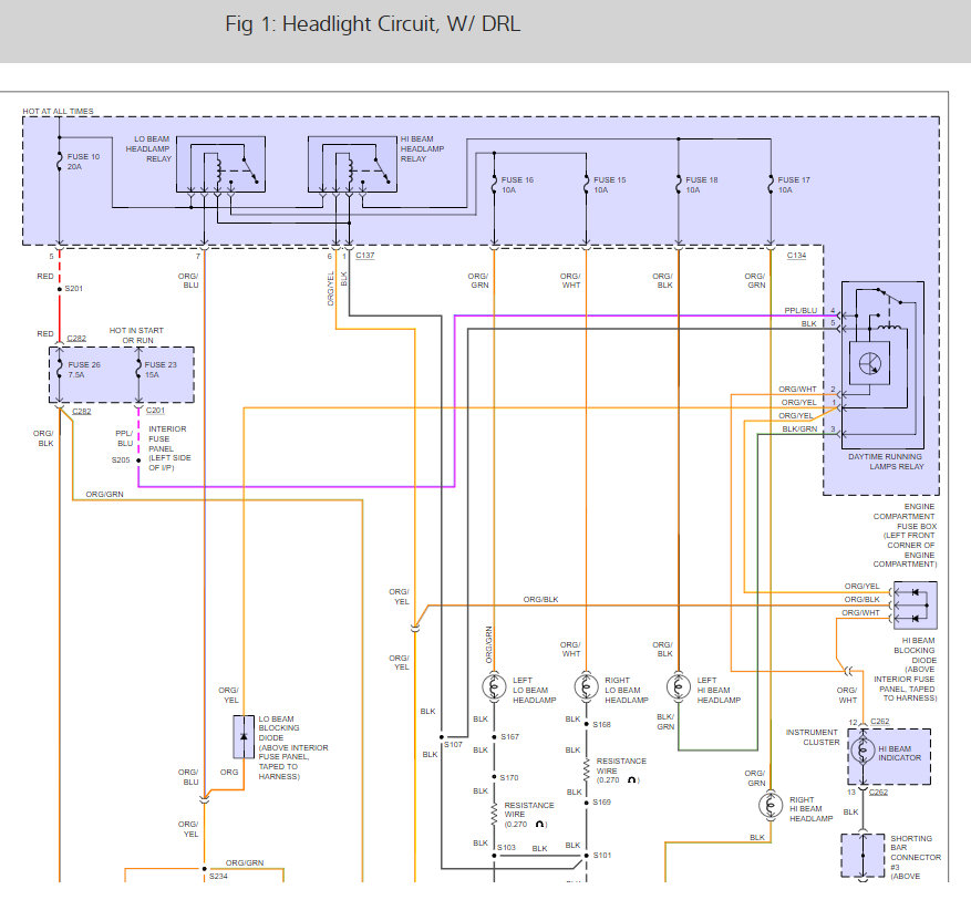
1997 Ford Contour, the running lights, dash lights and license plate light do not work. The brake lights and headlights do work. I've replaced all the fuses and fuse box, headlight switch, and double checked that all the bulbs are good, yet still no running lights.











