Saturday, March 17th, 2007 AT 11:59 PM
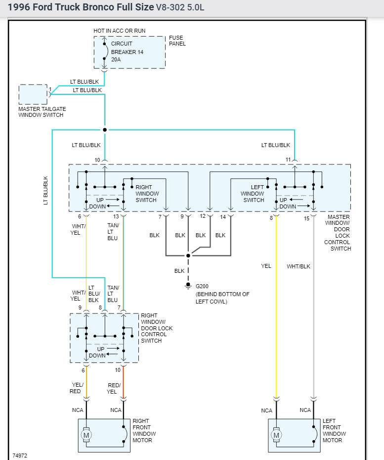
Hello, I have a 1996 Ford Bronco with 142, 00 miles and a 5.8, the problem I have is the rear window won't go up unless you jump it with a battery, and stand there and help it, I notice on the heating eliment that it looks like it's rubbing it clean so some not in right. ANY HELP WILL BE APPRECIATED!Joel P.S. The glass is new, I had a glass shop put it in and it hasn't worked since


