Tuesday, March 18th, 2025 AT 9:50 PM
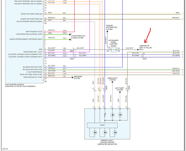
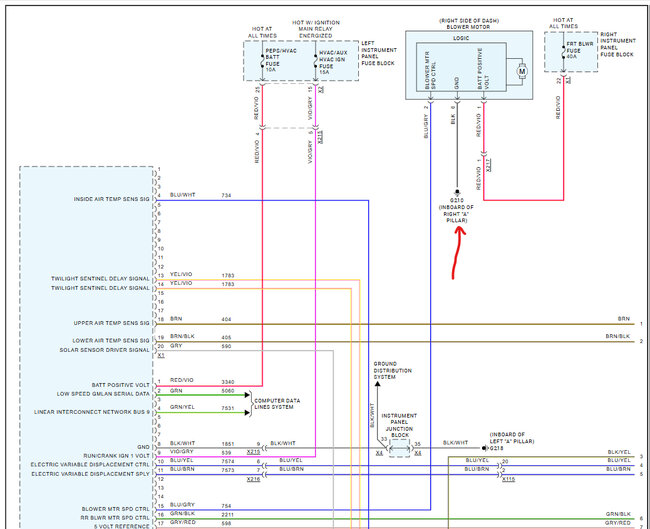
I am having issues with the controls on my climate control panel. Several of the buttons are not working but a few are. Top and bottom fan, rear defrost, top fan, backseat temperature, and fan controls are not working. I picked up my car from the auto body shop after having the passenger side doors and front fender replaced and now these issues have shown up. Is there a ground wire that could have been bumped while they were working on the passenger side?





