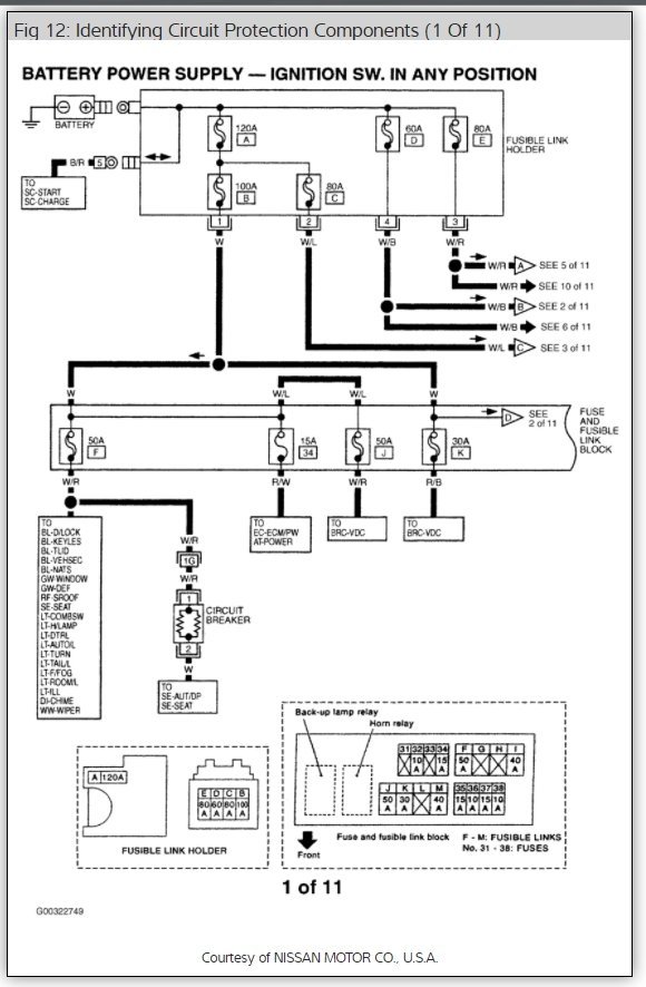
Saturday, June 17th, 2017 AT 6:28 AM
My car is the coupe, cranks and idles, but then just shuts off, everything on the combo meter stays on. I used a scanner got the u1001, p1212, p1610 and p1612 codes. Any help is greatly appreciated.





