Tuesday, April 8th, 2025 AT 7:06 AM
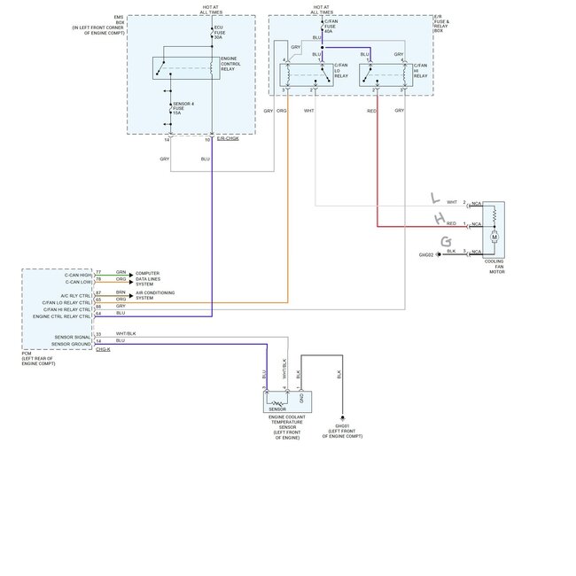
Friend of mine bumped into a wood block on the road which caused it to damage the radiator, the plastic fan was also broken so I replaced both. The fan has a 2-wire connector from the fan motor which connects to a 3-wire connector from the main harness. I waited until it had gotten to optimum temperature, but it didn't come on. I turned the A/C on, compressor comes on, but fan doesn't. I checked the 2 wires from fan with a probe light and both came back negative, maybe until the signal comes in? Same with the 3 wires from harness, both red and maybe grey or black wires have ground. Not sure where to begin.


