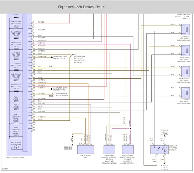
My car after five kilometers driving turns on ESP light. If I turn off engine and turn on again ESP light turns off. I checked with Delphi software and I found one fault
18265 Load Signal Error Message From ECU.
Please help me.
Tuesday, November 29th, 2016 AT 4:18 AM




