Error codes PO108 and P1700

2006 FORD EXPLORER
170,000 MILES • 4.0L • 6 CYL • 2WD • AUTOMATIC
Avatar
DAVID PETERSON
  • MEMBER
  • 1 POST
What does that mean?
Oct 31, 2020 at 3:02 PM
Repair Safety Notice: This information is for general instructional purposes only. Vehicle repair can be dangerous. Verify all information, follow manufacturer service procedures, use proper tools and safety equipment, and consult a qualified repair shop when needed.
Advertisement
Avatar
ASEMASTER6371
  • AUTOMOTIVE REPAIR CONTRIBUTOR
  • 52,796 POSTS
Good evening,

The 1700 is for the transmission. This is an information code that indicates another fault code is stored in the system. You will need an advanced scan tool that can read the transmission code for the other 700 codes.

https://www.2carpros.com/articles/automatic-transmission-problems


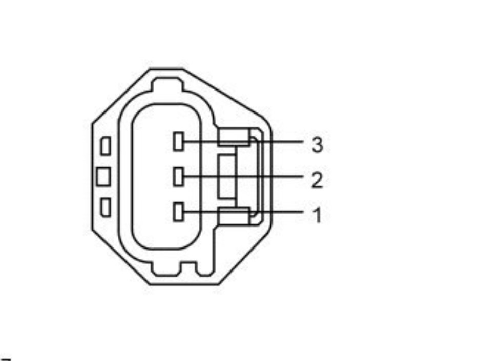
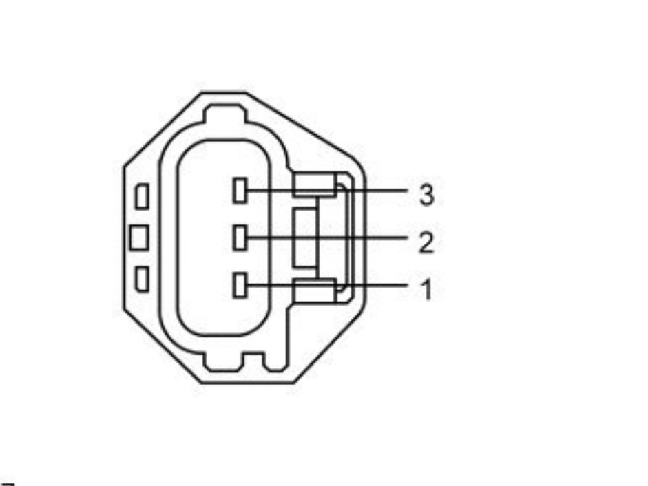
The 108 is MAP sensor related. I attached the possibilities for you to view. I also attached the flow chart for checking.

https://www.2carpros.com/articles/how-to-replace-a-mass-air-flow-sensor-maf

You need to verify voltages at the mass air flow sensor.

I attached the flowchart below for you. Let me know when you want to do some testing.

https://www.2carpros.com/articles/how-to-check-wiring

Roy




DM: Manifold Absolute Pressure (MAP) Sensor

DM: Introduction See: Computers and Control Systems > Diagnostic Trouble Code Tests and Associated Procedures > DM: Manifold Absolute Pressure (MAP) Sensor - Introduction



DM1 CHECK FOR DTCS


Are DTCs P0106, P0107, P0108, or P0109 present?
Yes

For vehicles with an EGR system module (ESM), KOEO, KOER DTCs P0107 or P0108, GO to DM2.

For vehicles without an EGR system module (ESM), any DTC P0106, KOEO, KOER DTCs P0107 or P0108, GO to DM20.

For vehicles with an EGR system module (ESM) continuous memory DTCs P0107, P0108, or KOEO P0109, GO to DM14.

For vehicles without an EGR system module (ESM) continuous memory DTCs P0107, P0108, or KOEO P0109, GO to DM26.

For vehicles with an EGR system module (ESM) DTC P0106, GO to DM15.

No

For all others, GO to Section 4, Diagnostic Trouble Code (DTC) Charts and Descriptions See: Computers and Control Systems > Diagnostic Trouble Code Tests and Associated Procedures > Diagnostic Trouble Code (DTC) Charts and Descriptions.



DM2 DTCS P0107 AND P0108: MONITOR THE MAP_V PID


Key ON, engine running.

Carry out the KOER self-test.

Access the PCM and monitor the MAP_V PID.
Is the voltage between 0.05 - 4.95 V?
Yes

VERIFY the PCM is at the latest calibration level. REPROGRAM if
necessary. If the PCM is at the latest calibration level, the concern is
not present at this time.

No

GO to DM3.



DM3 VERIFY HARNESS AND CONNECTOR INTEGRITY


Key in OFF position.

ESM connector disconnected.

Carry out a thorough visual inspection of the connector, pins and wires attaching to the pins.
Are there any concerns with the wiring or the ESM connection?
Yes

REPAIR as necessary.

CLEAR the DTCs. REPEAT the self-test.

No

GO to DM4.



DM4 MONITOR THE MAP_V PID


ESM connector connected.

Key ON, engine OFF.

Access the PCM and monitor the MAP_V PID.
Is the voltage between 0.05 - 4.95 V?
Yes

The concern is not present at this time.

CLEAR the DTCs. REPEAT the self-test.

No

GO to DM5.



DM5 DETERMINE THE PRESENT MAP_V PID VOLTAGE


Access the PCM and monitor the MAP_V PID.
Is the voltage less than 0.05 V?
Yes

GO to DM6.

No

GO to DM9.



DM6 KOEO AND KOER DTC P0107: CHECK THE VOLTAGE BETWEEN THE VREF AND SIGRTN CIRCUITS AT THE ESM HARNESS CONNECTOR


- ESM connector disconnected.

- Key ON, engine OFF.
Oct 31, 2020 at 4:14 PM
Advertisement