We have a Dodge Durango 2018/3.6l that is modified for Europe.
One of the rear-view light bulbs on each side is used as Turn Signal now.
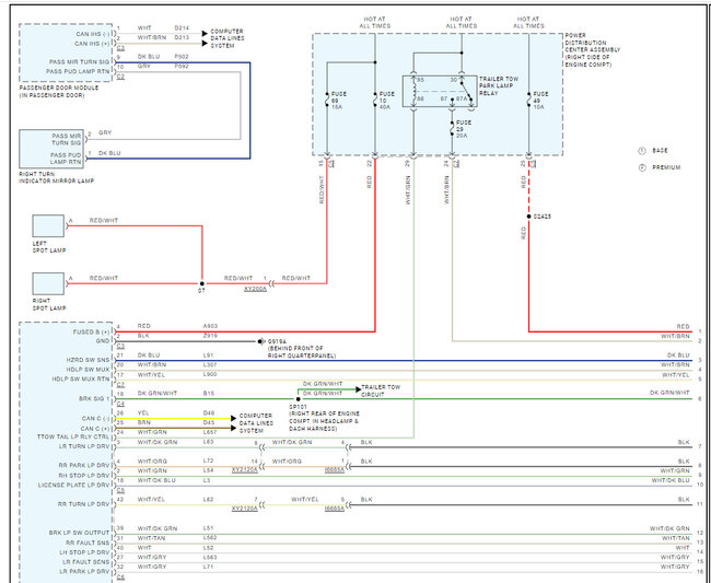
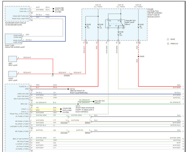
Yesterday a display message came up, that says "Turn Signal Rear Right Out". The mirror LEDs on the right side are flashing faster now. Also, the green arrow on the display is flashing faster.
The right rear turn signal flashes in normal speed (also all the other turn signal bulbs and the left mirror LEDs).
When using hazard lights all turn signal lights including the right mirror flash in normal speed.
We noticed that the left side rear view bulb was defective and replaced it and renewed the turn signal bulbs in the tailgate.
Unfortunately, no change - the mirror still flashes very fast.
The OBD shows error code B1646 - turn light rear right short circuit +battery/disruption.
Do you have any suggestions?
Thank you in advance!
Wednesday, October 2nd, 2024 AT 12:36 AM







