Saturday, February 6th, 2021 AT 3:39 AM
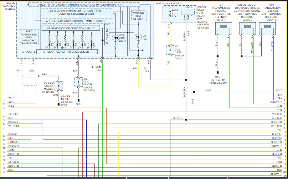
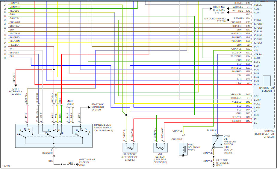
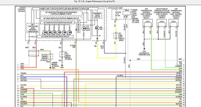
I don't hear the fuel pump prime. Tried replacing the fuel pump relay under dash fuse box but that didn't fix the problem. I replaced practically every relay (including main relays igp 1 and 2) and all fuses both under the dash and under the hood. FYI, obd2 scanner is unable to communicate with ECM. Also, the immobilizer key is flashing. I tried to start the car using the Brake Code from dealership, the immobilizer key went solid (that should be indication that immobilizer is temporarily disabled) but I still don't hear the fuel pump prime and still left with crank no start condition. Can someone suggest a solution and also provide me with the wiring diagram from engine computer (similar to the figures in this link? https://www.2carpros.com/questions/2001-acura-tl-32-wiring-harness-diagram-for-the-engine-and-transmission). Thanks





















































