Thursday, September 22nd, 2022 AT 4:47 AM
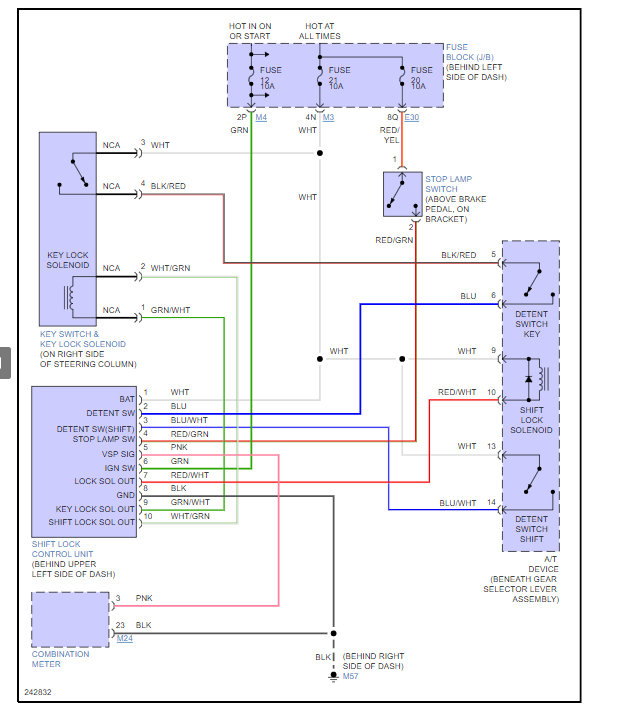
Brake ignition light and shifter replaced. This does not occur every time. Dealer calls. "Fixed working fine (tried 5 different times)" but when I go to the dealer to pick it up, I can't get it out of park. Mechanic comes back out, I'm not present, tries it is fine. I go out move the seat, start engine, put Windows halfway down won't go out of park. Already over $1,100.00 in labor only and problem not fixed. Maybe putting windows halfway down has an effect?


