Emission code

2005 TOYOTA TUNDRA
190,000 MILES • 4.7L • V8 • 4WD • AUTOMATIC
Avatar
RNMCCHIP
  • MEMBER
  • 1 POST
Getting p1445 code. do the bypass kits really work and how do I get one?
Feb 13, 2019 at 3:52 PM
Repair Safety Notice: This information is for general instructional purposes only. Vehicle repair can be dangerous. Verify all information, follow manufacturer service procedures, use proper tools and safety equipment, and consult a qualified repair shop when needed.
Advertisement
Avatar
SCGRANTURISMO
  • AUTOMOTIVE REPAIR CONTRIBUTOR
  • 4,897 POSTS
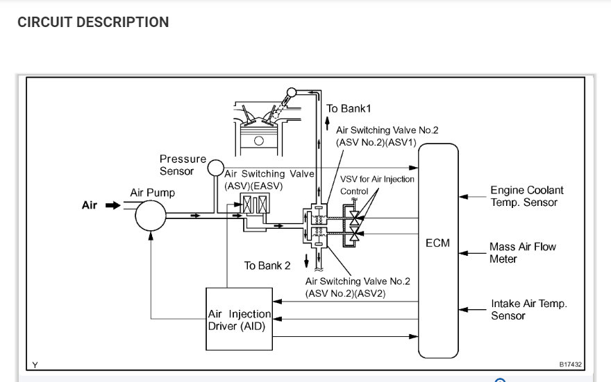
Hello, Direct Trouble Code(DTC) P1445 is secondary air system switching valve #2 stuck closed bank two. I have included a step by step flowchart, description of dtc, and wiring diagrams in the diagrams below. Please go through the troubleshooting flowchart and get back to us with what you find out.

Thanks,
Alex
2CarPros
Feb 14, 2019 at 9:12 AM
Advertisement