Sunday, July 25th, 2021 AT 8:43 AM
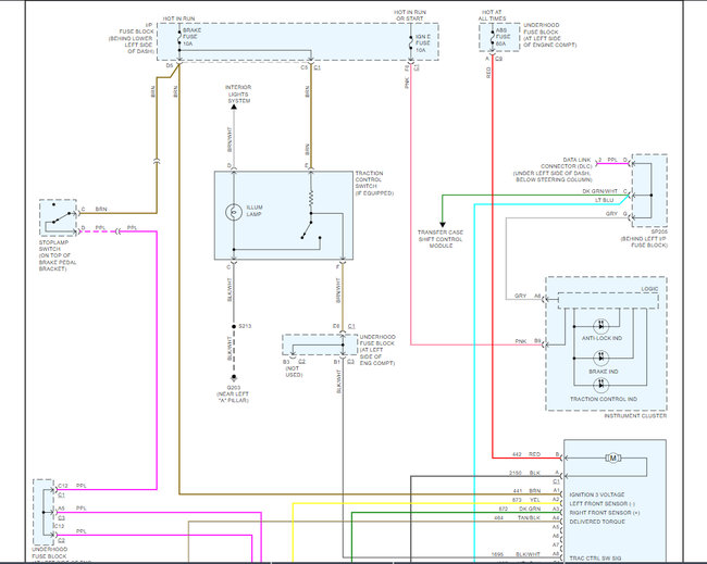
Red parking brake light stays on and exclamation mark red. Traction control light stays on. Low brake pressure when car is off or on. Checked voltage. Codes c0283 and c0131. C0283 is secondary to c0131 I think. Could I need a new control module and or a module valve?











