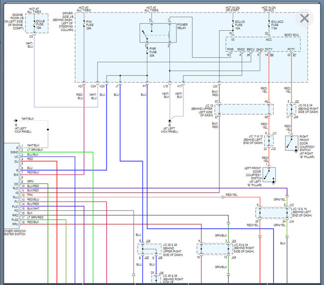
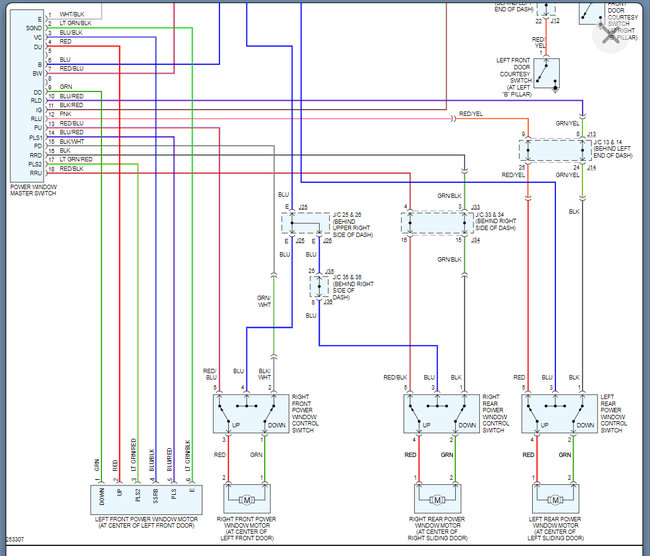
Afterwards, I began checking and found numerous other, I suppose electrical problems, such as: I can't unlock the rear deck lid (van) while other doors would lock and open, the automatic window will not work, the automatic driver's seat will not function, the heat gauge would not register at all, the gas pedal would not allow me to rev up the engine to no more than 2,000 RPMs, the cabin lights work in the front but not the rear, turn signals will not work, radio and disc player will not work, fan and air conditioning will not work, rear tail lights and brake light won't work, and the windshield wipers won't work. The headlights, however, do work - normal and long range and the horn.
Is it possible that I overcharged the battery? I have looked at some of the fuses, but is there a master fuse which would have responded negatively after overcharging the battery?
Using the car manual, I have checked a few of the fuses in four different locations.
Will be gone for a while to a doctor's appointment and will check back for your answer later.
Thursday, August 5th, 2021 AT 1:28 PM


























