Wednesday, December 25th, 2024 AT 10:11 AM
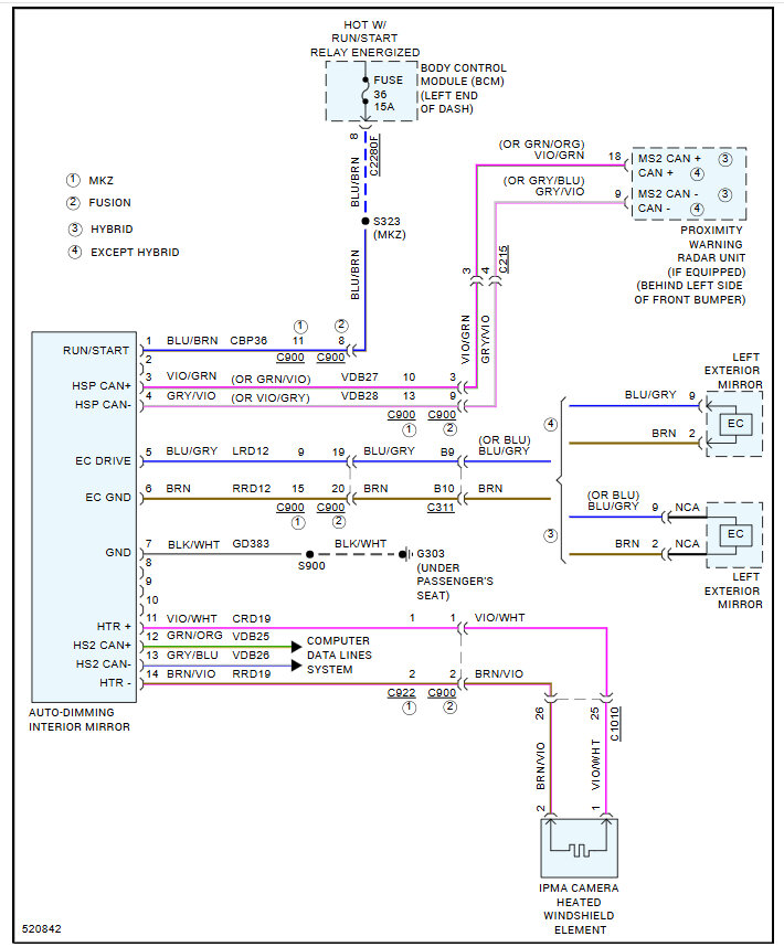
I'm looking for an electrical diagram of the rear-view mirror. I'm planning on wiretapping it to power a dash cam camera. The car listed above is a black label.




