Tuesday, December 10th, 2019 AT 8:33 PM
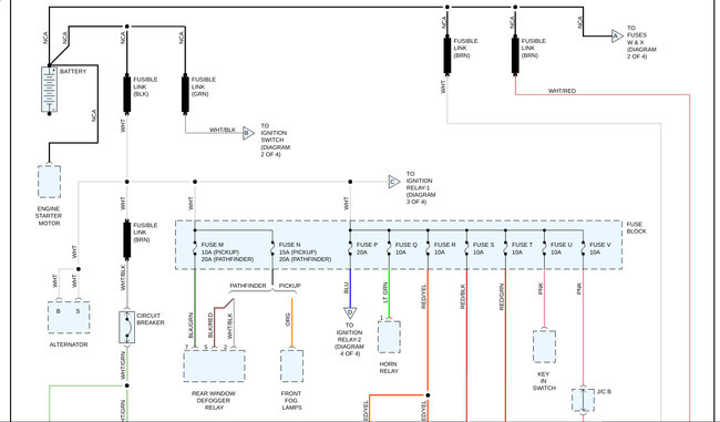
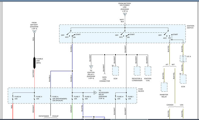
My truck needed an alternator and a battery. So the morning I return home with the new battery and am about to replace them. My instrument panel, interior lights, taillights. Brake lights. Reverse lights. Stereo and all dash instruments including the tachometer speedometer. Gas gauge. Etc, go dead and wont work. I'm being told it may be the fuse box under the dash, but all those fuses now have been replaced and I still have the same problems. Any other suggestions? I have been told to to check the instrument cluster (what and where is that) the fusible link (which I have no idea what that is either let alone where to find it). Please help this is my only vehicle and on top of auto repairs it is also costing me jobs because I'm a landscaper.









