Sunday, September 23rd, 2018 AT 7:53 PM
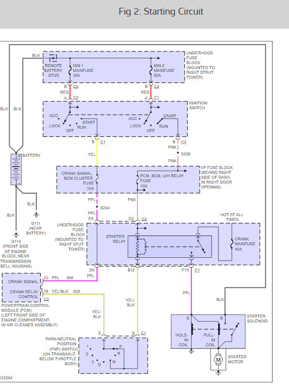
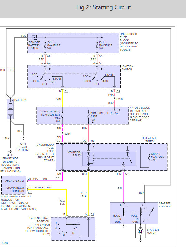
No crank. Battery is good. No power at the s wire on the starter. All fuses and relays are good. New ignition switch. Replaced fuel pump and crank sensor for different problems lately. No codes. Grounds are good. Using power probe on the s terminal car starts. Runs for twenty seconds. At the end of my thoughts.






