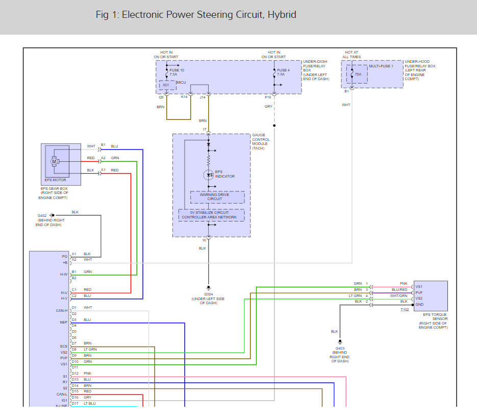
After diagnosis the fault. I have replace ECM/PCM replace and under hood dashboard fuse box replace. Car is start but reset the all lights clear on HDS scan tool.
But Dtc light f-can communicate failure EPS lights does not goes.
EPS light stay on.
Saturday, March 16th, 2019 AT 10:19 AM






