Friday, March 1st, 2019 AT 3:40 PM
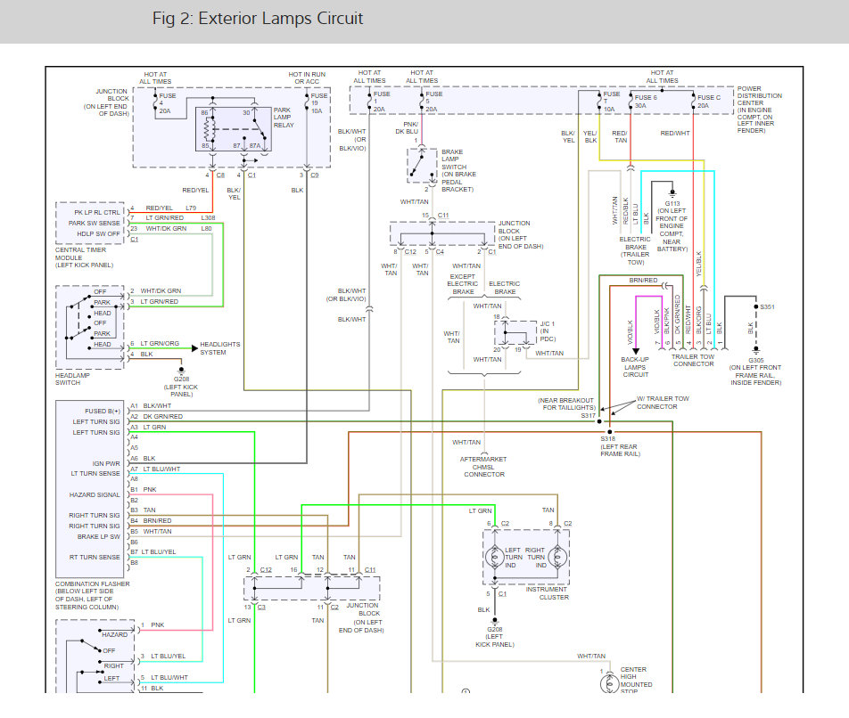
I bought a used 56049114AC combination flasher and I would like to see a schematic of it to know hoe to separate the rapid-flash-needed detection from the turn signal output and add a simple voltage divider resistor circuit to get rid of rapid flash detection. You have a wonderful Exterior Lamps Circuit diagram which shows all the in/outputs. Do you have a schematic for the 56049114AC Combination Flasher?



