Sunday, October 13th, 2019 AT 9:34 PM
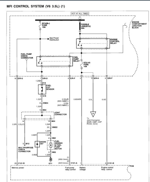
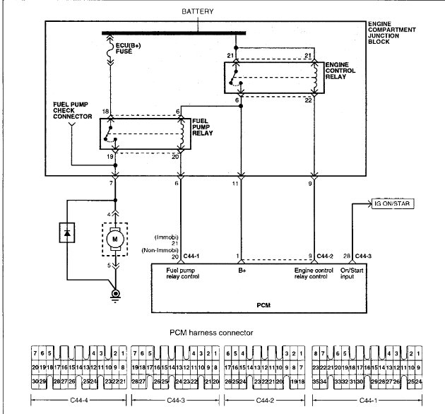
My fuel pump will not turn on. The relays and fuses are good. I've jumpered the relay just to see if the pump was working and it does turn on. I also get the 12v on the relay pin that comes on when I turn on the car. My understanding is the ECU pulls the last pin on the relay to ground when the car turns on. I wanted to test continuity between the control pin on the relay and the ECU but am not sure what pin and color wire on the ECU to test. All diagrams I've seen so far don't match what I see on the plugs on my ECU. Im hoping this is because I have the 3.5L 4wd. Any help is very much appreciated.







