DTC U1110

2010 DODGE CHALLENGER
156,235 MILES • 3.5L • 6 CYL • 2WD • AUTOMATIC
Avatar
TDORAME
  • MEMBER
  • 1 POST
I replaced a broken wheel speed sensor on the rear right and decided to replace the left also. The car had an ABS/ETS and brake light on before the repairs. After repairs I'm unable to clear lights and code. Also, the transmission won't shift gears. I've disconnected the battery and tried to reset that way nothing works.
Apr 4, 2022 at 5:01 PM
Repair Safety Notice: This information is for general instructional purposes only. Vehicle repair can be dangerous. Verify all information, follow manufacturer service procedures, use proper tools and safety equipment, and consult a qualified repair shop when needed.
Advertisement
Avatar
AL514
  • AUTOMOTIVE REPAIR CONTRIBUTOR
  • 5,479 POSTS
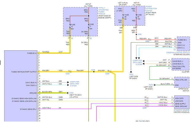
Hello, this code is for "Lost Vehicle Speed Message " from the ABS module. This can be a fault in the CAN bus network wiring, an ABS module that is not powered up, or failed PCM which is unlikely here. But below are the wiring diagrams for the ABS module to check it for power and ground. Did you have the ABS module unplugged at any time? The reason the vehicle won't shift is because the PCM gets it vehicle speed data from the ABS module, so if it doesn't see any MPH it has no reason to shift up. It's also possible you got a bad wheel speed sensor. Each sensor should have 12volts on one wire as well.
You'll also notice the Pin # 12 and 13 are the CAN bus wires at the ABS module. They will be a twisted pair of wires. Across those two wires you should read a bias voltage of 2.5-volts. Since a multimeter will only average out the voltage, it's not fast enough to catch the actual signal. But most likely you have either a bad wheel sensor here, or one of them has a bad connection at the sensor. The code won't erase because the PCM is still seeing a problem. I'm also putting up the waveform for the wheel speed sensor on this vehicle if you have a lab scope. But check the ABS module for power and see if you can communicate with it if your scan tool can scan other modules besides the engine computer.
Was the U1110 the only code you are getting?

https://www.2carpros.com/articles/abs-brake-system-repair

https://www.2carpros.com/articles/abs-wheel-speed-sensor-test

https://www.2carpros.com/articles/can-scan-controller-area-network-easy
Apr 5, 2022 at 11:48 AM
Advertisement