Wednesday, December 4th, 2024 AT 2:41 PM
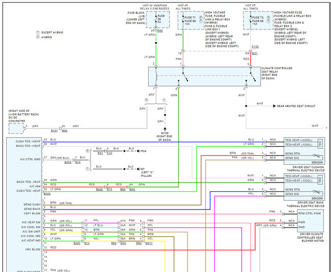
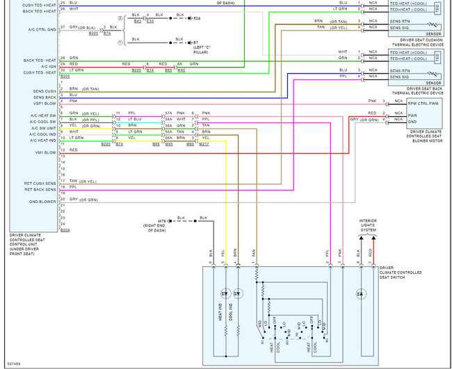
Driver side has no heat and no cool function. The light does not light up under heat or cool. The passenger side works fine. I only found one fuse (according to the fuse diagram) and it is good.




















