Saturday, November 19th, 2016 AT 2:16 PM
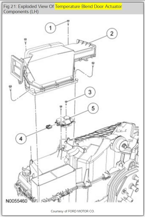
The heat for the cabin of the truck works well, except for the heat vents on the driver side, it blows extremely cold. While I have looked at you instructions for the blend door actuator change, I am not sure that this is an accurate account of what needs to happen with my SUV. I am really stuck on this and need help.

