Wednesday, October 23rd, 2024 AT 10:11 PM
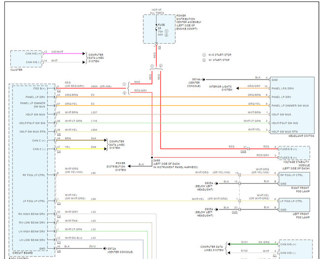
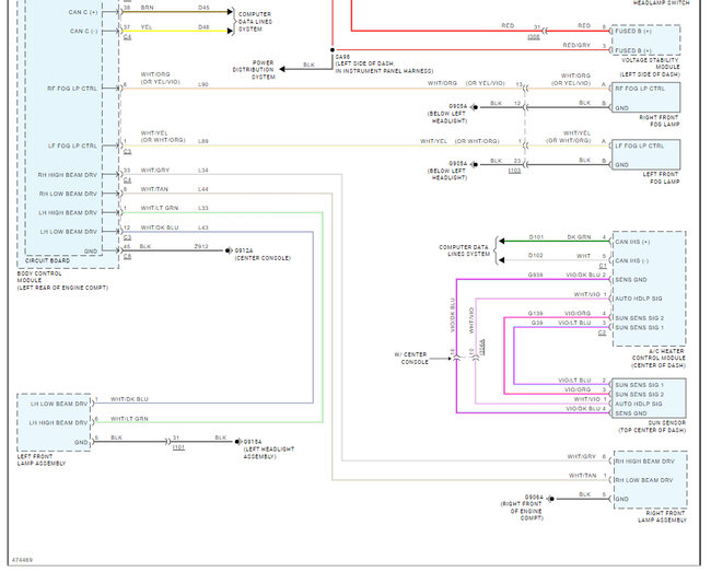
So the right bulb went out completely. So, I went to buy 2 new ones and installed them. But now the high beam on drivers' side doesn't turn on at all. Both lows work. But only high beam works on passenger side but not driver's side. What can I do? Both bulbs are new.






