Sunday, December 22nd, 2024 AT 12:14 PM
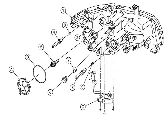
I have a headlight finally stopped working and need the OEM info on the bulb and ballast part number and manufacturer, as well as the technical info to be had I can't seem to find online any straight answer? Is there any models I might find in a scrap yard that use the same parts on those vehicles from Nissan/Infiniti?

