Wednesday, August 3rd, 2022 AT 9:30 AM
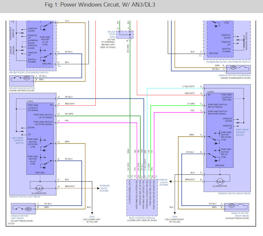
On a crew cab all the windows but the left front work. I have replaced the switch panel and the regulator and nothing happens except other three windows work perfectly.




