Saturday, October 5th, 2024 AT 12:34 PM
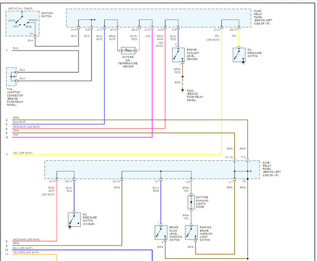
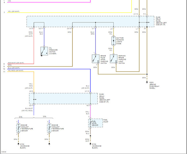
I have a speedometer cluster of a Goft MK3 2.0 GTI 115CV 8V American. It comes with two connectors that each have 28 pins. The cluster keeps failing and I need the wiring diagrams for the orange connector. I am trying to bridge the solders of the connection as this one is no longer attached to the board. But I have found it extremely hard to follow each connection on the board. If you could help and supply the wiring diagrams. The initial error was the speedo was reading Error rather than showing the actual KM. Do you know what could of caused this? Also, do you know if there is another cluster (1HM 919 910D) that I can use to replace mine? Will I encounter any issues if I buy a Speed Cluster with only one 28pin connector and will this work? Do you have any suggestions for which cluster I can use? Thank you











