Sunday, October 23rd, 2022 AT 3:27 PM
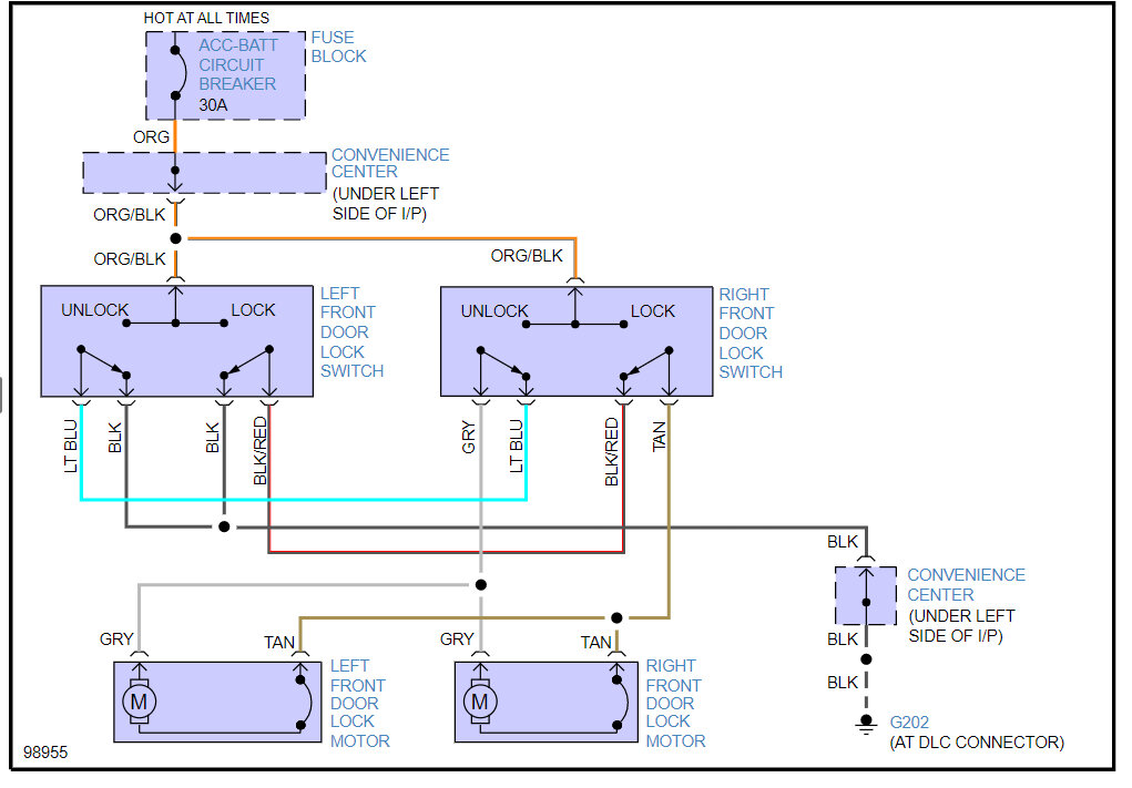
The driver's side door lock switch both locks and unlocks passenger side switch only unlocked. Grounds are good it's getting power.


