Friday, August 30th, 2024 AT 7:11 AM
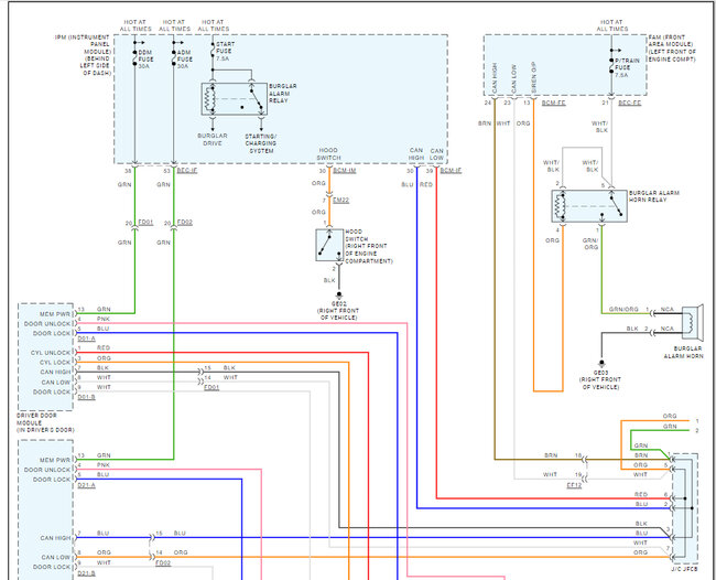
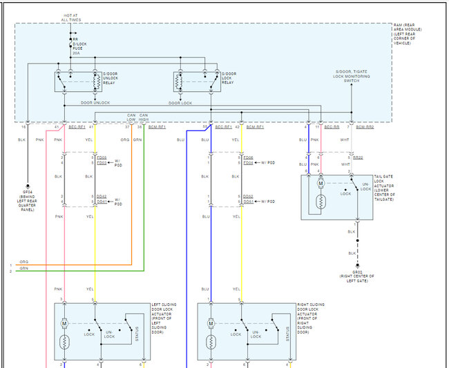
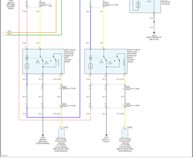
I parked at an offsite airport parking lot with valet parking. Looks like my car battery drained and they gave it a jump from a battery pack. I noticed the next day that the locks weren't working properly. I'll hit the button either inside the car or on the remote and sometimes they'll all open and sometimes only some will, or some will only go to the halfway unlocked position. Any ideas? I tried disconnecting the battery and touching the cables together. Saw online that can cause the BCM to revert to default settings.






