SN 2GCEC19R0V1119067 Vortec 5700 V8 SFI Engine
Remote keyless entry, power locks, windows, and mirrors
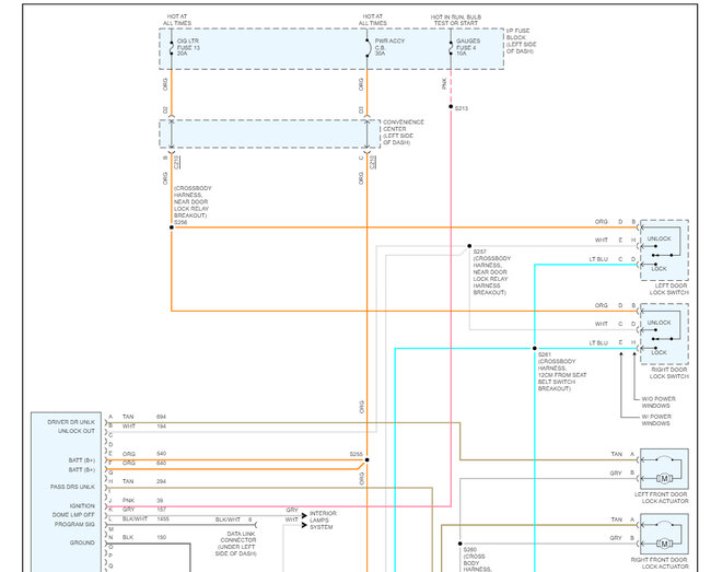
Problem,
Driver's door lock not operating was initial fix needed.
The passenger door operated ok at first when started working on vehicle.
Now both doors do not work and it seems there is a problem with interior lights now.
Here is what I done to try and fix the problem.
I bought new actuator for divers door, (actually two for both doors new)
Purchased new switch to put in as old was physically marred up.
Took door panel off to get at the parts and wiring.
I checked the actuator first and it was operational both ways when power applied to it.
Using the old switch the passenger door worked and then put in new switch and passenger
door worked with new switch but the drivers door did not..
Tested wires for continuity by taking the wiring out of the boot from door to body
and tested them with meter and all had continuity.
Found relay by steering column and tested continuity to the harness and it had continuity.
I tried to test the relay by taking it apart and was going to put current to it but it is a 6
Prong and did not find any diagram on web for the wiring so didn’t put any to it, but
the switches had movement to them and when I put it back in and tried the lock switch I
could feel the click and hear the click of the movement of the relay on both lock and unlock
sides of the switch.
I took out the relay on the passenger side behind the glove box but did not know if that had
anything to do with the locks, but that was a 4 prong and knew how to test that and it was OK.
When I put the switch on and off, I could hear another clicking noise and it sounded like it came
from above the steering column. But I could not determine where it was coming from.
After watching YouTube videos it seem that the Body Control module was located up there.
I tried connecting wires together to get the current to go to the actuator wiring but burned out
4 fuses in no 13 slot on side of dash trying to get current to go to the drivers door actuator wiring.
As I kept trying to get lock to work in doing different things, the passenger door lock started to fail
in locking and unlocking. Now it don’t lock or unlock at all. I don’t know what happened to that.
I took out the breaker for the door locks on the side of the dash and when I put it back in I heard a
clicking sound other than from the 6 prong relay that I had put back in.
I couldn’t put my head under dash and plug the breaker in and out so made some wires with blade
on to plug into the slots and so could touch those wires together while having my head under dash.
When I touched the wires together I could head some clicking like in the center of the dash like
towards the top, which I found out that the remote relay or sensor switch is up there under dash.
And that the whole dash had to be taken out of truck to change that if it was bad.
When under dash touching the wires together, I noticed the under dash interior curtsy lights would go
On sometimes and sometimes not, and they were acting strange. And also the battery went dead on me
twice after passenger lock quit working. Now worried about short someplace. Where to now?
Saturday, May 6th, 2023 AT 8:47 PM


