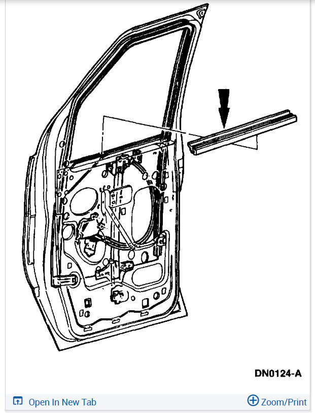
Can't find good diagrams or pictures of latch assembly or other parts. Need pictures, or instructions, something, anything. YouTube only marginally helped as to broad. Doors shut with Bunji only.
He drilled out rivets for handle. What bolts to reinstall? How and where do each ends of door latch cables go? How do I reconnect door handle hardware to latch, etc. Any help would be so appreciated. Thanks, Teressa
Saturday, February 15th, 2025 AT 3:57 PM









