Saturday, October 22nd, 2016 AT 5:59 AM
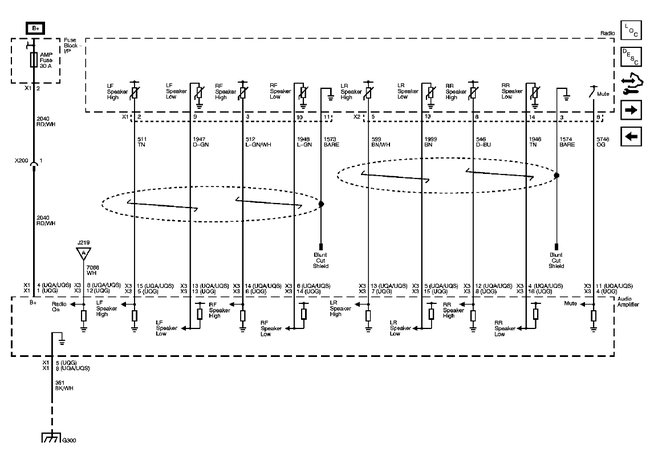
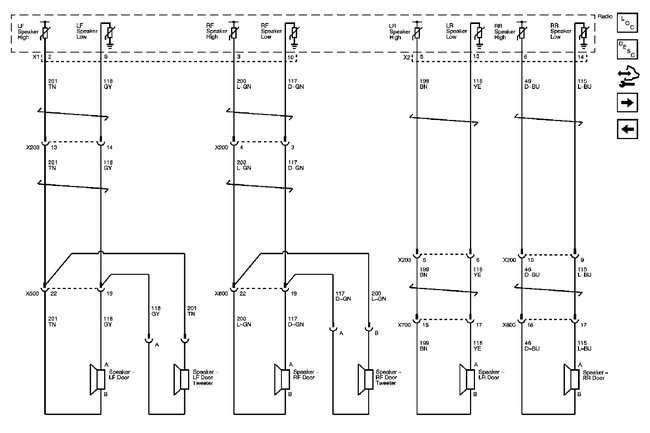
Only my two tweeter speakers in the front work, none of the others work. Does my stereo have a fuse in it and if it does where is it located?




