Tuesday, December 9th, 2008 AT 7:42 PM
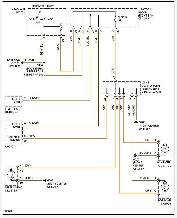
No lights in cluster, headlight pull switch will turn everything on except cluster lights, when starting engine all warning light comes on and go off after the is running as they should, can't see gages at night


