the wiper goes up but then stays in the upright position

1999 DODGE RAM
129,000 MILES • V8 • 4WD • AUTOMATIC
Avatar
DJP51192
  • MEMBER
  • 1 POST
I just recently purchased my Ram from a used car dealer and today i was driving in a light rain and i had my wipers on a low intermittent. My problem is that the wiper goes up but then stays in the upright position until the intermittent kicks on again and the wiper goes back down and then half way up. I found that when i turn it on and then quickly turn it off the wiper will return to the correct position. Is there a simple solution to this problem?
Apr 27, 2010 at 8:33 PM
Repair Safety Notice: This information is for general instructional purposes only. Vehicle repair can be dangerous. Verify all information, follow manufacturer service procedures, use proper tools and safety equipment, and consult a qualified repair shop when needed.
Advertisement
Avatar
KASEKENNY
  • CAR REPAIR CONTRIBUTOR
  • 18,907 POSTS
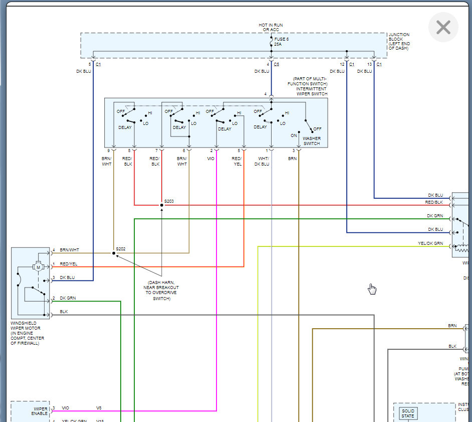
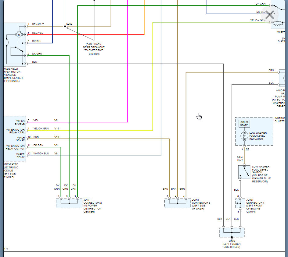
More then likely this is the contacts on the switch are failing or the module that the delay is run through is failing. So we need to check voltage at both places. When you put in it delay you should have constant power to the wiper delay wire at the module.

Then you should have intermittent power coming out of the wiper enable. If you have constant power to the delay wire of the module then the module is the issue. If you are loosing power to the module on this wire, then it is the switch.

https://www.2carpros.com/articles/how-to-check-wiring

Below are the wiring diagrams that will help with this.

Let's run through this and let us know what you find. Thanks
Mar 28, 2021 at 8:48 AM
Advertisement