Saturday, October 23rd, 2010 AT 6:05 PM
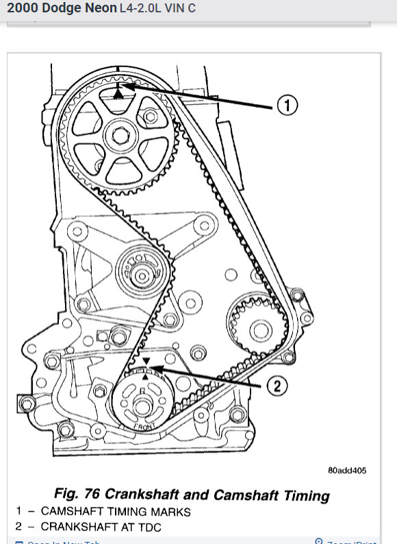
Just replaced timing belt timing lines up on crank and cam car starts just fine then starts missing. So ckecking with timing light timing is one tooth below TDC. Checked plugs, wires, vacume













