Monday, September 9th, 2019 AT 12:15 PM
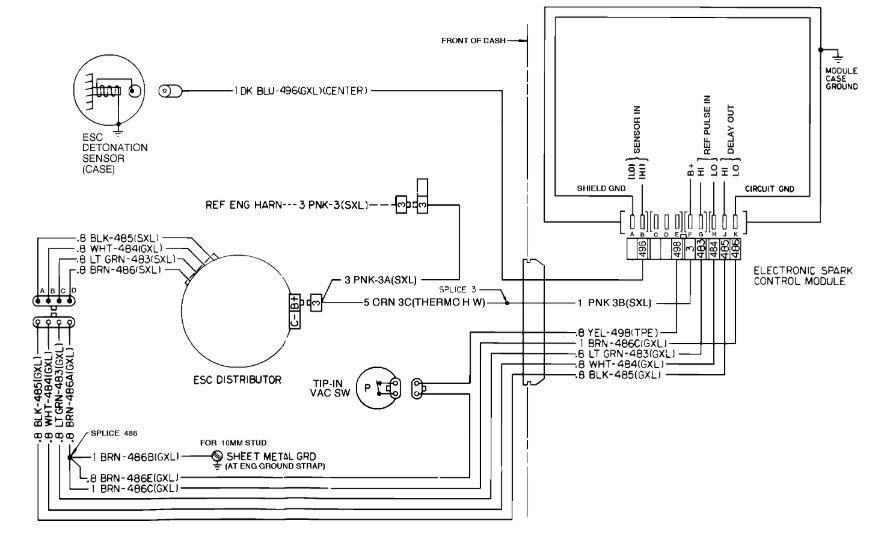
I got a c10 Scottsdale given to me and dad said it kept burning out the ignition control module even after replacing everything in the distributor except the pick up. I ordered a brand new complete distributor but didn't realise the ignition module was a 5 prong on the old one and has more wires going into it, new one is 4 and the site I ordered from won't take returns. Can I use the new one anyway without the "extra" wires?




