Sunday, June 25th, 2017 AT 5:57 AM
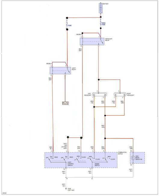
My friend has a 1943 Willy's Jeep and he asked me to wire up his headlights, parking, turn signals hazards etc. The mother has been swapped out and so has the steering wheel (from left hand to right hand Australia) anyways the dimmer switch looks like it is from a 1995 Toyota 4Runner and has three wires (two white and one red tiny wires). I just need to know how to run them because all the connectors have been gutted and I am left with dangling wires. I have attached a picture of the switch if that helps at all. Any help will be greatly appreciated so thank you in advance.






