Wednesday, October 2nd, 2024 AT 8:47 AM
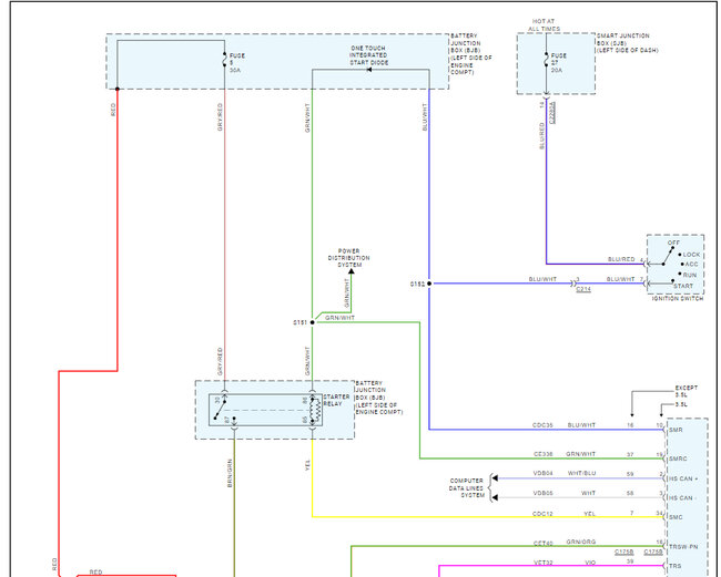
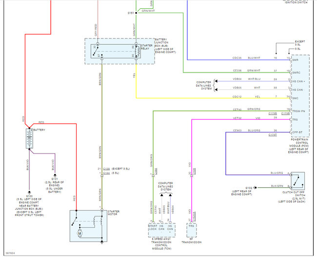
Vehicle will not crank. The starter and battery were replaced. I can jump the starter relay and start the vehicle; however, it will not crank when the key is turned to the start position. So, after checking codes I found p0706 and p0707, so I replaced the transmission range sensor but still no crank.



