Diagnosing car overheating issue?

2005 CHRYSLER PT CRUISER
92,000 MILES • 2WD • AUTOMATIC
Avatar
MADSEEBZ
  • MEMBER
  • 1 POST
My cruiser has been doing a soft rumble/vibrate every few seconds and then overheating. The first time it happened when I opened the hood there was NO coolant in the reservoir so I filled that and it was fine for a little while, I checked the coolant again before I drove it again and it was almost empty again so I thought I had a leak and filled it back up, but the coolant level stayed the same after that and it was fine driving for about 24 hours so I thought i must've just needed the coolant badly and sucked it all up..

Then it started overheating again so I stopped and checked the coolant level and it was fine, so my friend said maybe there were air bubbles in the cooling system and I needed to bleed the radiator to get the air out, so I did that, and there was a ton of air that came out ; I drove home about 30 minutes, then again to work this morning with no issues so I thought I fixed it.

On my way home I was sitting at a light for a while and it started vibrating/rumbling and the heat level was rising so I started blasting the heat in the car on high to hopefully get myself somewhere I could safely stop before it overheated, but once I started driving at a decent speed it cooled back down to normal operating temperature. Then I turned the heat off and it was fine for a while, until the same thing happened again.

So, I've noticed the trend that it starts overheating when I have been sitting still/idle for a long time and/or been going at a low speed in stop and go traffic. but when I turn the heat on high and start going at a decent speed (25+ or so) it cools back down.

Can you help me diagnose the issue? I think it may be the radiator fans or thermostat from what I've googled but I don't know how to check them.
Aug 8, 2025 at 5:33 PM
Repair Safety Notice: This information is for general instructional purposes only. Vehicle repair can be dangerous. Verify all information, follow manufacturer service procedures, use proper tools and safety equipment, and consult a qualified repair shop when needed.
Advertisement
Avatar
STRAILER
  • AUTOMOTIVE REPAIR CONTRIBUTOR
  • 54,176 POSTS
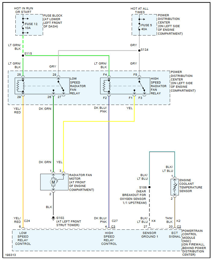
Yes, I think you have found the problem being the cooling fans, can I ask if you hear the fan running while the engine is overheating? If not, this is the problem. Most of the time the fan motor burns out and needs to be replaced. I would lift the hood and with the engine off, spin the radiator fan, it should spin freely, if not it is bad. If the fan is not working, please check fuses # 12 in the fuse panel at the lower left side of dash fuse panel, and fuse # 5 in the under-hood fuse panel. Here is how to change the fan motor out in case you need it, and I included the wiring diagram as well so you can see how the system works.
Aug 9, 2025 at 11:07 AM
Advertisement