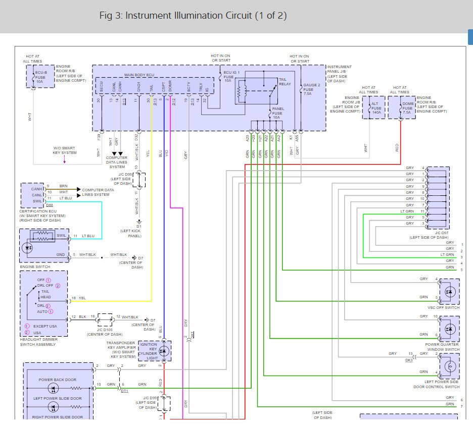
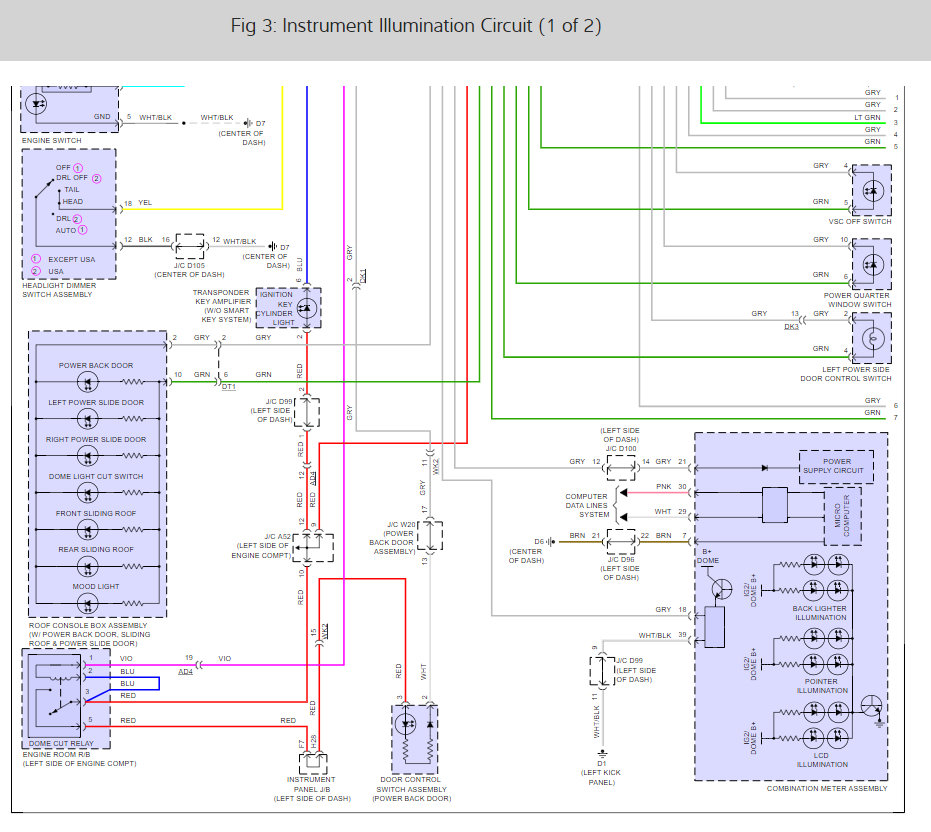
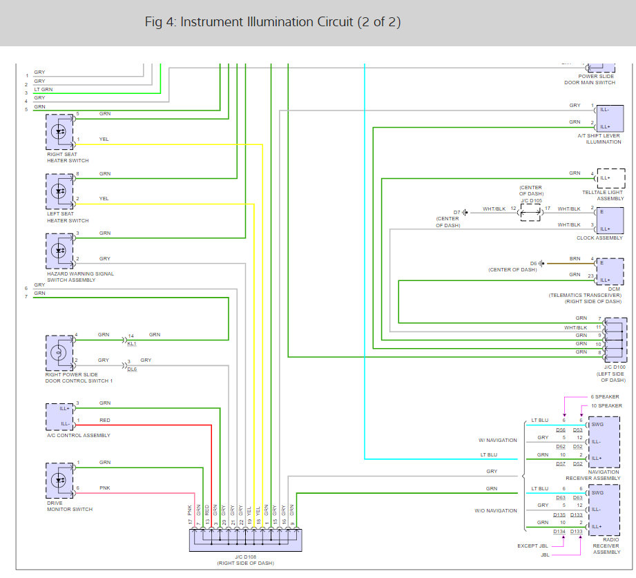
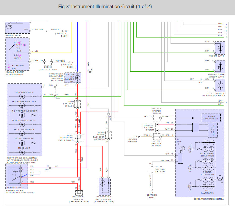
Wednesday, February 28th, 2018 AT 9:00 PM
I have the vehicle listed above LE model. Dashboard, controller panel lights not working. It was dim for some time and now it completely went out. I have had this kind of issue before when the lights would go dim but never goes out. If anyone knows please help. Thank you.
















