Saturday, October 22nd, 2022 AT 1:54 PM
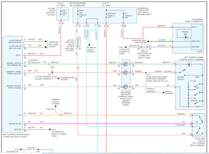
My cruise control doesn’t work. The light on the button lights up but the dash light doesn’t work, nor does it set the cruise. I am trying to find the wiring diagram for the entire cruise control system including interior panel fuses and main panel fuses. Thanks







