Monday, November 11th, 2019 AT 2:04 PM
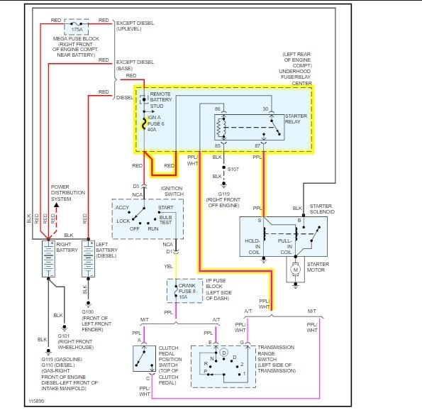
How do you relearn the crankshaft position sensor with a scan tool or without one for that matter if you cannot start the vehicle due to this problem? Everything I have seen says to crank the vehicle for the relearn process to start and then go through the rest of the steps. This initially started when I changed the starter out.



