Saturday, January 28th, 2023 AT 10:14 AM
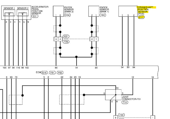
Can someone please tell me where the crankshaft position sensor on the vehicle listed above Platinum model is located? There are no videos to show the location of this year and make. Thank you




