Monday, October 10th, 2016 AT 6:58 PM
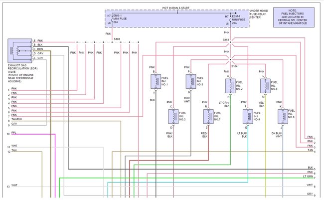
I rebuilt the heads, full gaskets, starter, water pump, distributor, cap and rotor, spark plugs and wires, idle air valve, MAP sensor, ignition control switch and it still wont start. It sat for three months before I did any work on it but, I would start it to move it for street sweeping every week. The fuel pressure is 60 psi. Need help before taking it to the dealer!







