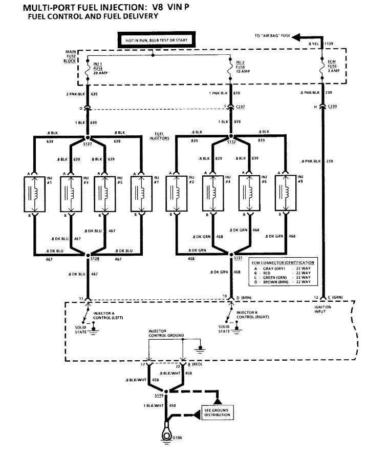
I have checked for spark (not blue) at wires and checked for ignition pulse both are there.
Following the FSM Chart A-3. On crank, the tachometer displayed no rpm. Probing terminal C with a test light did show a light, and lastly, checking for continuity of terminal D to ground showed 0.3 ohms, per FSM it’s either the distributor connection or the distributor.
I got the connector on order and wondering if there is anything else I should check before buying another optispark if the connector doesn’t fix the issue?
Tuesday, April 18th, 2023 AT 6:42 PM




