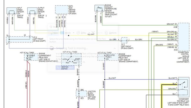
Friday, January 29th, 2021 AT 3:58 PM
Driver's side cooling fan is burned out will that keep the passenger side fan from working. The passenger side only works if I put jumpers on it. Car runs hot when in idle.




